Valtec VT.M106 Сервопривід для змішувального клапана
Сервомотор valtec для клапана змішувача імпульсний
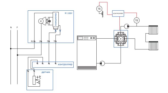
Сервоприводи для змішувальних клапанів Valtec VT.M106 – прилади, що забезпечують автоматичний контроль витрати потоку теплоносія в опалювальних системах через три або чотири ходові термостатичні клапани. Принцип роботи виробів полягає у тепловому розширенні закачаного в ємнісний балон толуолу (рідинного наповнювача) в результаті надходження електрики під час роботи термостата або контролера. Прогріта рідина тисне на сервопривід, він у свою чергу створює тиск на термостатичний клапан, що призводить до його автоматичного закриття та перекриття потоку теплоносія.

Сервомотор valtec для клапана змішувача аналоговий
Сервомотори з імпульсним управлінням працюють при напрузі живлення 24V або 220V, моделі VT.M106.R з аналоговим регулюванням - сигнал-напруга від 0V до 10V. Найвищий допустимий температурний показник нагрівання корпусу клапана – 150℃. Під'єднання до клапана здійснюється за допомогою перехідної втулки (присутня у кожному наборі). Допускається перехід на ручне керування.

Відгуків не знайдено

